| توافر الحالة: | |
|---|---|
| الكمية: | |
مقدمة
وحدات DSI Direct UHT هي أنظمة معالجة حرارية متقدمة مصممة خصيصًا لصناعة الأغذية والمشروبات. تتمثل الوظيفة الأساسية لـ DSI Direct UHT في تعقيم المنتجات السائلة بسرعة وكفاءة ، وضمان السلامة من خلال تدمير الكائنات الحية الدقيقة الضارة مع الحفاظ على القيمة الغذائية وطعم ولون المنتج. عادةً ما تستخدم وحدة UHT المباشرة DSI هذه للسوائل مثل الحليب والعصائر والمشروبات والحساء والصلصات.
>> ميزة
تقنية التدفئة المباشرة: تستخدم وحدات UHT المباشرة DSI حقن البخار المباشر لسوائل الحرارة. يتم حقن البخار مباشرة في المنتج ، مما يرفع درجة حرارته بسرعة إلى مستوى التعقيم المطلوب. هذه الطريقة أسرع من التسخين غير المباشر (مثل استخدام مبادل حراري للوحة) وتسمح بتحسين كفاءة الطاقة وأوقات معالجة أسرع.
تعقيم عالي الكفاءة: تسخن وحدة UHT المباشرة DSI السوائل إلى درجات حرارة عالية للغاية (عادة ما بين 135 درجة مئوية و 150 درجة مئوية) في فترة زمنية قصيرة جدًا ، مما يقتل بفعالية البكتيريا والخميرة والعفن وغيرها من مسببات الأمراض. يقلل هذا التسخين السريع من الوقت الذي يتعرض فيه المنتج للحرارة ، مع الحفاظ على صفاته الحسية والمحتوى الغذائي.
تصميم كفاءة في استخدام الطاقة: تم تصميم وحدات UHT المباشرة DSI مع مراعاة كفاءة الطاقة. إنه يتميز بالاستفادة من البخار المحسّن ونظام استرداد الحرارة المتقدم الذي يلتقط ويعيد استخدام الطاقة الحرارية لتسخين المنتجات الواردة ، مما يقلل من استهلاك الطاقة بشكل عام وتحسين الكفاءة التشغيلية.
التحكم الدقيق في درجة الحرارة: تتضمن وحدة DSI Direct UHT آلية متطورة للتحكم في درجة الحرارة تقوم بدقة بضبط درجة الحرارة ووقت المعالجة ، وضمان معالجة كل دفعة وفقًا لمعايير الجودة والسلامة الدقيقة.
التشغيل الآلي: وحدات UHT مؤتمتة بالكامل ويمكن دمجها بسهولة في خطوط الإنتاج. تتضمن وحدة DSI Direct UHT وحدة تحكم منطقية قابلة للبرمجة مع واجهة شاشة تعمل باللمس ، مما يوفر للمستخدمين مراقبة في الوقت الفعلي والتحكم في عملية التعقيم. هذه الأتمتة تقلل من الحاجة إلى التدخل اليدوي ، وتقليل الخطأ البشري وتحسين الكفاءة التشغيلية.
المواد الممتازة: تتكون وحدة DSI Direct UHT من الفولاذ المقاوم للصدأ ومواد أخرى من فئة الطعام لضمان النظافة وطول العمر. تم تصميمه لسهولة التنظيف والصيانة ، مما يقلل من خطر التلوث المتبادل بين الدفعات.
التطبيقات متعددة الاستخدامات: وحدات DSI Direct UHT مناسبة للاستخدام مع مجموعة متنوعة من الأطعمة والمشروبات السائلة ، بما في ذلك منتجات الألبان (مثل الحليب ، الكريمة) ، العصائر ، الحساء ، الصلصات والمشروبات بنكهة. فعالة بشكل خاص للمنتجات ذات متطلبات التعقيم الصارمة ، مثل منتجات الألبان والمشروبات ذات الحماس العالي.
ميزة
جودة المنتج المتفوقة: تضمن طريقة حقن البخار المباشر ارتفاعًا سريعًا في درجة الحرارة ، مما يساعد على الحفاظ على الذوق واللون والمحتوى الغذائي لمنتجك مع تعقيمه بشكل فعال.
عمر الصلاحية الممتد: يمتد تعقيم UHT إلى حد كبير مدة صلاحية المنتجات دون الحاجة إلى المواد الحافظة أو التبريد ، مما يساعد على تقليل النفايات وتحسين استقرار المنتج.
انخفاض تكاليف التشغيل: تساعد التصميمات والأنظمة الآلية الموفرة للطاقة في تقليل استهلاك الطاقة وتكاليف العمالة. نظام استرداد الحرارة المتقدم يقلل من نفقات التشغيل الإجمالية.
مرنة وقابلة للتكيف: يمكن تكييف وحدات UHT المباشرة DSI بسهولة للتعامل مع مجموعة متنوعة من المنتجات السائلة ، مما يجعلها حلاً متعدد الاستخدامات لمجموعة متنوعة من تطبيقات الطعام والمشروبات.
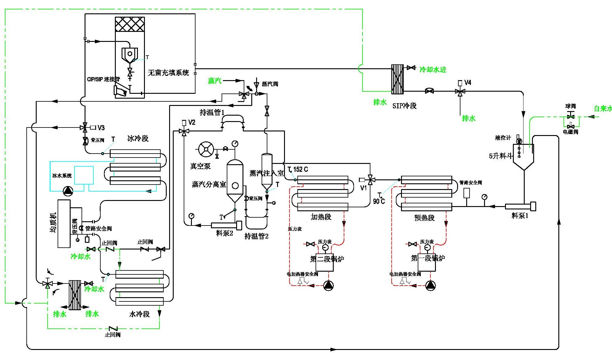
>> رسم تخطيطي لتعقيم حقن البخار :
>> مخطط انسيابي

المعلمة الفنية
نطاق درجة حرارة التدفئة: 135 ℃ إلى 150 ℃
سعة المعالجة: تختلف باختلاف النموذج ، وعادة ما تكون مئات إلى آلاف لتر في الساعة.
طريقة التدفئة: حقن البخار مباشرة في المنتج.
نظام التحكم: الأتمتة القائمة على PLC مع واجهة شاشة تعمل باللمس ؛ المراقبة عن بعد ممكن.
وظائف السلامة : بما في ذلك حماية درجة الحرارة المفرطة ، التنبيه عالي الجهد وآليات السلامة الأخرى.
المواد: مصنوعة من الفولاذ المقاوم للصدأ عالية الجودة ومواد أخرى من فئة الطعام.
>> التكوين
|
|
| المزايا :
|
|
|
|
|
| وظيفة التحكم في مستوى النطا
|
|
|
|
|
طلب
منتجات الألبان (الحليب ، الكريمة ، الزبادي)
عصائر الفاكهة والمشروبات
الحساء والصلصات
المشروبات النكهة والمشروبات غير الألبان
الحساء والصلصات الجاهزة للأكل

خدمة
ضمان سنة واحدة
التثبيت وتصحيح الأخطاء في الموقع
خدمة اختبار عينة المواد بواسطة آلة تعقيم المختبر لدينا
خدمة ملحقات البسترة على المدى الطويل
>> الأسئلة الشائعة
س: ما هي وحدة UHT المباشرة DSI؟
ج: وحدة UHT المباشرة (درجة حرارة عالية) هي نظام معالجة حرارة يستخدم لتعقيم الأطعمة السائلة والمشروبات عن طريق التدفئة بسرعة إلى درجات حرارة عالية للغاية (عادة 135 درجة مئوية إلى 150 درجة مئوية) في فترة زمنية قصيرة جدًا. هذه العملية تقتل الكائنات الحية الدقيقة الضارة مع الحفاظ على طعم المنتج واللون والقيمة الغذائية للمنتج.
س: كيف تعمل وحدة UHT المباشرة DSI؟
ج: تستخدم وحدات UHT المباشرة البخار لحقن الحرارة مباشرة في المنتج ، مما يرفع درجة حرارته بسرعة إلى مستوى التعقيم المطلوب. يختلط البخار مع المنتج وحرارة البخار يعقيم السائل. التدفئة السريعة يقلل من التعرض للحرارة ويقلل من فقدان النكهة والمواد المغذية.
س: ما هي قدرة وحدة UHT المباشرة DSI؟
ج: تعتمد قدرة الوحدة على النموذج المحدد. يمكن أن يعالج مئات لآلاف اللترات في الساعة. يمكن تصميم النماذج المخصصة لتلبية احتياجات إنتاج محددة.